咨詢熱線
15231779603
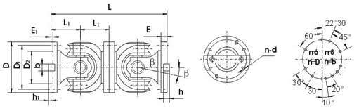
產品描述:SWP-C型無伸縮短型萬向聯(lián)軸器是一種*常用的聯(lián)軸器.利用其結構的特點能使不在同一軸線或軸線折角較大或軸向移動較大的兩軸等角速連續(xù)回轉,并可靠地傳遞轉矩和運動.
15231779603

| 型號 | 回轉直徑 D mm |
公稱轉矩 Tn kN·m |
疲勞轉矩 Tf kN·m |
軸承折角 β (°) |
尺寸mm | ||||||||
| Lmin | D1 | D2 | E | E1 | b×h | h1 | L1 | n-d | |||||
| SWP160C | 160 | 16 | 8 | ≤10 | 340 | 140 | 95 | 15 | 4 | 20×12 | 6 | 85 | 6-13 |
| SWP180C | 180 | 20 | 10 | ≤10 | 380 | 155 | 105 | 15 | 4 | 24×14 | 7 | 95 | 6-15 |
| SWP200C | 200 | 31.5 | 16 | ≤10 | 440 | 175 | 125 | 17 | 5 | 28×16 | 8 | 110 | 8-15 |
| SWP225C | 225 | 40 | 20 | ≤10 | 520 | 196 | 135 | 20 | 5 | 32×18 | 9 | 130 | 8-17 |
| SWP250C | 250 | 63 | 31.5 | ≤10 | 540 | 218 | 150 | 25 | 5 | 40×25 | 12.5 | 135 | 8-19 |
| SWP285C | 285 | 90 | 45 | ≤10 | 600 | 245 | 170 | 27 | 7 | 40×30 | 15 | 150 | 8-21 |
| SWP315C | 315 | 140 | 63 | ≤10 | 680 | 280 | 185 | 32 | 7 | 40×30 | 15 | 170 | 10-23 |
| SWP350C | 350 | 180 | 90 | ≤10 | 740 | 310 | 210 | 35 | 8 | 50×32 | 16 | 185 | 10-23 |
| SWP390C | 390 | 250 | 112 | ≤10 | 820 | 345 | 235 | 40 | 8 | 70×36 | 18 | 205 | 10-25 |
| SWP435C | 435 | 355 | 160 | ≤10 | 940 | 385 | 255 | 42 | 10 | 80×40 | 20 | 235 | 16-28 |
| SWP480C | 480 | 450 | 224 | ≤10 | 1060 | 425 | 275 | 47 | 12 | 90×45 | 22.5 | 265 | 16-31 |
| SWP550C | 550 | 710 | 315 | ≤10 | 1160 | 492 | 320 | 50 | 12 | 100×45 | 22.5 | 290 | 16-31 |
| SWP660C | 600 | 1000 | 500 | ≤10 | 1440 | 544 | 380 | 55 | 15 | 90×55 | 27.5 | 360 | 22-34 |
| SWP640C | 640 | 1250 | 630 | ≤10 | 1540 | 575 | 385 | 60 | 15 | 100×60 | 30 | 385 | 18-38 |
注:標記示例:回轉直徑D=315mm,安裝長度L=680mm,C型有伸縮長型萬向聯(lián)軸器。
SWP315C×680聯(lián)軸器
SWP-C型無伸縮短型萬向聯(lián)軸器是一種*常用的聯(lián)軸器。利用其結構的特點能使不在同一軸線或軸線折角較大或軸向移動較大的兩軸等角速連續(xù)回轉,并可靠地傳遞轉矩和運動。能廣泛應用于冶金、起重、工程運輸、礦山、石油、船舶、煤炭、橡膠、造紙機械及其它重機行業(yè)的機械軸系中傳遞轉矩。
聯(lián)系電話:
手機號碼:
企業(yè)Q Q:
聯(lián)系郵箱:
公司地址: